ÐÂÐÍÖá´ø·¢µç»úϵͳ
ÐÂÐÍÖá´ø·¢µç»úϵͳ½ÓÄÉÁ¢ÒìµÄ¶¯Ì¬ÎȹÌÊÖÒÕ£¬£¬£¬£¬£¬£¬£¬Äܹ»ÔÚ´¬²°ÖáϵһÁ¬Õñ¶¯¡¢°Ú¶¯ºÍŤ¶¯µÄÑÏ¿Á¹¤¿öÏ£¬£¬£¬£¬£¬£¬£¬ÓÐÓÃÔ¤·À×°±¸±§ËÀ£¬£¬£¬£¬£¬£¬£¬¼á³ÖÄÚ²¿ÔËÐмä϶Îȹ̣¬£¬£¬£¬£¬£¬£¬ÏÔÖøÌáÉý·¢µçЧÂÊ£¬£¬£¬£¬£¬£¬£¬Îª´¬²°¶¯Á¦ÏµÍ³Ìṩ¸ü¿É¿¿µÄ°ü¹Ü¡£¡£¡£¡£¡£¡£¡£¡£
- ϵͳ×é³É¼°ÊÂÇéÔÀí
- ²úÆ·²ÎÊý
- ÔÚÏßѯ¼Û
Öá´ø·¢µç»ú£¨Shaft Generator£©ÊÇÒ»ÖÖ×°ÖÃÓÚ´¬²°Ö÷ÍÆ½øÖáϵ£¬£¬£¬£¬£¬£¬£¬Í¨¹ýÖ÷»úÖṦÇý¶¯·¢µç»ú×éµÄµçÁ¦×°±¸¡£¡£¡£¡£¡£¡£¡£¡£Ëü³ä·ÖʹÓô¬²°Ö÷»úº½ÐÐÀú³ÌÖеĸ»ÓදÁ¦£¬£¬£¬£¬£¬£¬£¬Ìæ»»»ò²¿·ÖÌæ»»¹Å°å¸¨»ú·¢µç£¬£¬£¬£¬£¬£¬£¬Îª´¬²°¹©µç¡£¡£¡£¡£¡£¡£¡£¡£Ïà±ÈͨÀý¸¨Öú·¢µç»ú£¬£¬£¬£¬£¬£¬£¬Öá´ø·¢µç»úÔÚ´¬²°º½ÐÐ״̬ÏÂÎÞÐèÌØÊâȼÓÍÏûºÄ£¬£¬£¬£¬£¬£¬£¬ÏÔÖø½µµÍȼÓͱ¾Ç®ºÍÎÂÊÒÆøÌåÅÅ·Å£¬£¬£¬£¬£¬£¬£¬ÓÐÓÃÖúÁ¦´¬¶«Ó¦¶ÔIMO̼ǿ¶ÈÖ¸±ê£¨CII£©¡¢ÄÜЧָÊý£¨EEDI/EEXI£©µÈ»·±£¹æÔòÒªÇ󡣡£¡£¡£¡£¡£¡£¡£ÒÀ¸½Îȹ̵ĵçÁ¦Êä³öºÍÓÅÒìµÄ½ÚÄܼõÅÅЧ¹û£¬£¬£¬£¬£¬£¬£¬Öá´ø·¢µç»úÒѳÉΪÐÂÔì´¬ºÍ¸Ä×°ÏîÄ¿Öб¸ÊÜÇàíùµÄÂÌÉ«¶¯Á¦½â¾ö¼Æ»®¡£¡£¡£¡£¡£¡£¡£¡£
![]()
ÐÂÐÍÖá´ø·¢µç»úϵͳ½ÓÄÉÁ¢ÒìµÄ¶¯Ì¬ÎȹÌÊÖÒÕ£¬£¬£¬£¬£¬£¬£¬Äܹ»ÔÚ´¬²°ÖáϵһÁ¬Õñ¶¯¡¢°Ú¶¯ºÍŤ¶¯µÄÑÏ¿Á¹¤¿öÏ£¬£¬£¬£¬£¬£¬£¬ÓÐÓÃÔ¤·À×°±¸±§ËÀ£¬£¬£¬£¬£¬£¬£¬¼á³ÖÄÚ²¿ÔËÐмä϶Îȹ̣¬£¬£¬£¬£¬£¬£¬ÏÔÖøÌáÉý·¢µçЧÂÊ£¬£¬£¬£¬£¬£¬£¬Îª´¬²°¶¯Á¦ÏµÍ³Ìṩ¸ü¿É¿¿µÄ°ü¹Ü¡£¡£¡£¡£¡£¡£¡£¡£
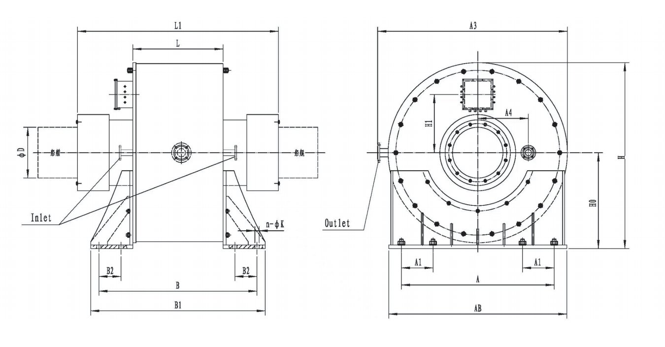
Öá´ø·¢µç»úϵͳÖ÷ÒªÓÉ·¢µç»ú¡¢±äƵÆ÷¡¢±äѹÆ÷¡¢¿ØÖÆÏµÍ³µÈ½¹µã×°±¸×é³É¡£¡£¡£¡£¡£¡£¡£¡£
![]()
·¢µç»úͨ¹ýÖ÷ÖᶯÁ¦Çý¶¯£¬£¬£¬£¬£¬£¬£¬±¬·¢½»Á÷µçÄÜ£»£»£»£»£»
±äƵÆ÷¶Ô·¢µç»úÊä³öµÄµçÄܾÙÐÐÎȹ̵÷Àí£¬£¬£¬£¬£¬£¬£¬ÊµÏÖ²î±ð¹¤¿öϵÄ×î¼ÑµçÄÜÖÊÁ¿¹ÜÀí£»£»£»£»£»
±äѹÆ÷ƾ֤´¬²°µçÍøÐèÇó¾ÙÐеçѹת»»£¬£¬£¬£¬£¬£¬£¬È·±£µçÁ¦ÏµÍ³Çå¾²¸ßЧÔËÐУ»£»£»£»£»
¿ØÖÆÏµÍ³ÔòÈÏÕæÊµÊ±¼à²âÓëÖÇÄܹÜÀí¸÷µ¥Î»×°±¸µÄÔËÐÐ״̬£¬£¬£¬£¬£¬£¬£¬°ü¹ÜϽµµÍª¶¯Îȹ̡¢¹ÊÕϿɿء£¡£¡£¡£¡£¡£¡£¡£
¸÷²¿¼þϸÃÜÐͬ£¬£¬£¬£¬£¬£¬£¬×é³ÉÒ»Ì׸ßЧ¡¢½ÚÄÜ¡¢¿É¿¿µÄ´¬²°µçÁ¦½â¾ö¼Æ»®¡£¡£¡£¡£¡£¡£¡£¡£
¡¤ ¶¯Ì¬Îȹ̷À±§ËÀÊÖÒÕ
¹Å°å·¢µç»úͨ³£½ÓÄÉÊóÁýʽ½á¹¹£¬£¬£¬£¬£¬£¬£¬Æäת×ÓÓëÂÝÐý½°Öá¸ÕÐÔÅþÁ¬£¬£¬£¬£¬£¬£¬£¬¶ø¶¨×Ó¼°¿ÇÌåÔòÓë´¬ÌåÀο¿¡£¡£¡£¡£¡£¡£¡£¡£¸Ã½á¹¹¶Ô¾¶ÏòÅäºÏ¾«¶ÈÒªÇ󼫸ߣ¬£¬£¬£¬£¬£¬£¬ÎÞ·¨ÈÝÈÌÂÝÐý½°Öá·ºÆðÈκÎÕñ¶¯¡¢°Ú¶¯»òŤ¶¯¡£¡£¡£¡£¡£¡£¡£¡£È»¶øÔÚÏÖʵº½ÐÐÖУ¬£¬£¬£¬£¬£¬£¬ÓÈÆäÊÇÀϾɴ¬²°£¬£¬£¬£¬£¬£¬£¬ÂÝÐý½°ÖáÒòºã¾ÃÔËÐÐÍùÍù±£´æÒ»¶¨Ëɶ¯£¬£¬£¬£¬£¬£¬£¬²»¿É×èÖ¹µØ±¬·¢¶àÖÖÖØ´óÔ˶¯¡£¡£¡£¡£¡£¡£¡£¡£ÕâÈÝÒ×µ¼ÖÂÊóÁý½á¹¹ÄÚ²¿µÄת×ÓÓ붨×Ó±¬·¢Ä¦²ÁÉõÖÁ½Ó´¥£¬£¬£¬£¬£¬£¬£¬½ø¶øÒý·¢×°±¸±§ËÀ,ÖÂʹ´¬²°·¢Äîͷͣת¡£¡£¡£¡£¡£¡£¡£¡£Èô´ËÀà¹ÊÕϱ¬·¢ÔÚÔ¶Ñóº£Óò£¬£¬£¬£¬£¬£¬£¬´¬²°½«ÃæÁÙʧȥ¶¯Á¦µÄÖØ´óΣº¦£¬£¬£¬£¬£¬£¬£¬¿ÉÄÜÔì³ÉÄÑÒÔ¹ÀÁ¿µÄÑÏÖØÐ§¹û¡£¡£¡£¡£¡£¡£¡£¡£
![]()
NGÏàÐÅÆ·ÅƵÄÁ¦Á¿¹ÙÍøÐÂÐÍÖá´ø·¢µç»ú½ÓÄÉÁ¢ÒìµÄ¶¯Ì¬ÎȹÌÊÖÒÕ£¬£¬£¬£¬£¬£¬£¬Äܹ»ÔÚ´¬²°ÖáϵһÁ¬Õñ¶¯¡¢°Ú¶¯ºÍŤ¶¯µÄÑÏ¿Á¹¤¿öÏÂ,ʼÖÕ¼á³ÖÄÚ²¿ÔËÐмä϶µÄÎȹ̡£¡£¡£¡£¡£¡£¡£¡£ÕâÒ»Éè¼Æ²»µ«ÓÐÓÃÔ¤·ÀÁË×°±¸±§ËÀÕ÷Ï󣬣¬£¬£¬£¬£¬£¬¸ü´øÀ´ÁË·¢µçЧÂʸߡ¢ÄÜÁ¿×ª»¯ÄÜÁ¦Ç¿¡¢¹ÊÕÏÂʵͼ°ÇéÐÎ˳ӦÐÔÓÅÒìµÈÏÔÖøÓÅÊÆ£¬£¬£¬£¬£¬£¬£¬Îª´¬²°¶¯Á¦ÏµÍ³ÌṩÁ˸ü¿É¿¿¡¢¸ü¶¨Ðĵİü¹Ü¡£¡£¡£¡£¡£¡£¡£¡£
¡¤ ×îС»¯ÖáϵӰÏì
Õë¶Ô¹Å°åÖá´ø·¢µç»ú¶ÔÖáϵÔËÐе¹ÔËÓ°ÏìµÄÎÊÌ⣬£¬£¬£¬£¬£¬£¬NGÏàÐÅÆ·ÅƵÄÁ¦Á¿¹ÙÍøÖá´ø·¢µç»úϵͳͨ¹ý½á¹¹ÇáÁ¿»¯¡¢×ª×ÓÓÅ»¯Éè¼Æ¼°ÏȽø¿ØÖÆÕ½ÂÔ£¬£¬£¬£¬£¬£¬£¬×î´óÏ޶ȽµµÍ¶ÔÖáϵµÄ×ÌÈÅ£¬£¬£¬£¬£¬£¬£¬ÖÜÈ«½µµÍÖáϵ·¢µç»úϵͳ¶Ô´¬²°ÔËÓªÇå¾²µÄÓ°Ïì¡£¡£¡£¡£¡£¡£¡£¡£
ÖáϵÎȹÌÐÔ¡ª¡ª±¾²úÆ·½ÓÄɵÍת¶¯¹ßÁ¿Éè¼Æ£¬£¬£¬£¬£¬£¬£¬ÓÐÓüõСÖáϵŤתÕñ¶¯¹ÌÓÐÆµÂÊת±ä,½µµÍ¹²ÕñÏÕ£¬£¬£¬£¬£¬£¬£¬°ü¹ÜÖ÷»úÔÚÈ«º½ËÙÇø¼äÄÚÖáϵÕñ¶¯Îȹ̣¬£¬£¬£¬£¬£¬£¬ÌáÉýÕû´¬ÔËÐпɿ¿ÐÔ¡£¡£¡£¡£¡£¡£¡£¡£
Æô¶¯/ÖÆ¶¯¡ª¡ªÓÅ»¯µÄ·¢µç»úת¶¯¹ßÁ¿Éè¼Æ,½µµÍÆôÍ£Àú³ÌÖеÄŤ¾Ø¹¥»÷£¬£¬£¬£¬£¬£¬£¬ïÔÌÖ÷»úÆô¶¯¸ººÉÓëÖÆ¶¯¹ßÐÔ£¬£¬£¬£¬£¬£¬£¬ÌáÉý´¬²°ÎÞаÐÔÓë²Ù×÷Çå¾²ÐÔ£¬£¬£¬£¬£¬£¬£¬ÑÓÉìÖáϵ¼°ÍƽøÏµÍ³Ê¹ÓÃÊÙÃü¡£¡£¡£¡£¡£¡£¡£¡£
Ö§³Ö²¿¼þ¡ª¡ªÐ¡×ª¶¯¹ßÁ¿·¢µç»úÔËÐÐʱ¶ÔÖá³Ð¡¢ÃÜ·â×°ÖõÈÖ§³Ö²¿¼þÊ©¼ÓµÄ¾¶ÏòÁ¦ÓëÖáÏòÁ¦ÏÔÖø¼õС£¡£¡£¡£¡£¡£¡£¡£¬£¬£¬£¬£¬£¬£¬½µµÍºã¾ÃÄ¥Ë𣬣¬£¬£¬£¬£¬£¬ÑÓÉìά»¤ÖÜÆÚ£¬£¬£¬£¬£¬£¬£¬°ü¹ÜÖáϵºã¾Ã¶ÔÖо«¶È¼°¿É¿¿ÐÔ¡£¡£¡£¡£¡£¡£¡£¡£
![]()
![]()
![]()
Öá´ø·¢µç»úϵͳÊÊÓÃÓÚÖÖÖÖÐÍÐÂÔì´¬ÓëÓªÔË´¬£¬£¬£¬£¬£¬£¬£¬ÓÈÆäÔÚ12-14½Ú¸ß¸ºÔØÎȹ̺½ÐÐ״̬ÏÂÐÔÄÜ×î¼Ñ¡£¡£¡£¡£¡£¡£¡£¡£NGÏàÐÅÆ·ÅƵÄÁ¦Á¿¹ÙÍøÖá´ø·¢µç»úϵͳ֧³ÖÖеÍËÙË«³å³Ì´¬²°Ö÷»ú£¬£¬£¬£¬£¬£¬£¬²¢¿Éͨ¹ýǰ¶Ë»òËíµÀ³ÝÂÖÅþÁ¬Ö÷Öᣬ£¬£¬£¬£¬£¬£¬ÊµÏÖPTO·¢µç¹¦Ð§£¬£¬£¬£¬£¬£¬£¬ïÔ̶Դ¬Ìå»òÖáÏ߸Ä×°£¬£¬£¬£¬£¬£¬£¬ÊÊÅäÐÔÇ¿¡£¡£¡£¡£¡£¡£¡£¡£
![]()
ÔÚ¸ßЧ¹¤¿öÏ£¨Ö÷»ú¸ººÉÔ¼SMCRµÄ10-20%£©£¬£¬£¬£¬£¬£¬£¬Öá´ø·¢µç»ú¿É½ÓÄÉÖ÷»ú¸»ÓàÖṦ£¬£¬£¬£¬£¬£¬£¬Îª´¬²°µçÍøÌṩÎȹ̵çÁ¦£¬£¬£¬£¬£¬£¬£¬ïÔ̸¨Öú»ú×éÔËÐÐʱ¼ä£¬£¬£¬£¬£¬£¬£¬´Ó¶øÏÔÖø½µµÍÕûÌåȼÓÍÏûºÄÓë̼ÅÅ·Å¡£¡£¡£¡£¡£¡£¡£¡£
![]()
NGÏàÐÅÆ·ÅƵÄÁ¦Á¿¹ÙÍøÖá´ø·¢µç»úϵͳÊÊÓðüÀ¨²î±ð¶ÖλµÄÉ¢»õ´¬¡¢ÓÍ´¬¡¢¼¯×°Ïä´¬µÈ´óÐÍÐÂÔì¡¢ÓªÔË´¬²°¡£¡£¡£¡£¡£¡£¡£¡£ÔÚÖ÷»úÎȹÌÔËÐÐʱ´ú£¬£¬£¬£¬£¬£¬£¬Í¨¹ýPTO¸ßЧ¹©µç£¬£¬£¬£¬£¬£¬£¬ïÔ̸¨»ú¸ººÉ¡£¡£¡£¡£¡£¡£¡£¡£
NGÏàÐÅÆ·ÅƵÄÁ¦Á¿¹ÙÍø¿ÉÌṩ°üÀ¨Öá·¢µç»ú¡¢±äѹÆ÷¡¢ÕûÁ÷±äƵÆ÷¡¢Ñ»·ÀäÈ´Æ÷ϵͳÔÚÄÚµÄһվʽÖá´ø·¢µç»ú½â¾ö¼Æ»®¡£¡£¡£¡£¡£¡£¡£¡£ÒÀ¸½Ç¿Ê¢µÄÊÖÒÕÖ§³ÖÍŶӣ¬£¬£¬£¬£¬£¬£¬NGÏàÐÅÆ·ÅƵÄÁ¦Á¿¹ÙÍø¿ÉÔÚÈ«Çò30Óà¸ö¿Ú°¶ÌṩÖá´ø·¢µç»úÊÖÒÕ·þÎñ¡£¡£¡£¡£¡£¡£¡£¡£
![]()
½ÓÈëÖǻ۴¬²°ÏµÍ³ºó£¬£¬£¬£¬£¬£¬£¬Öá´ø·¢µç»ú½«³ÉΪ¸ßЧ¡¢¿É¿¿ÇÒ¿ÉÒ»Á¬µÄÄÜÔ´ÖÐÊà¡£¡£¡£¡£¡£¡£¡£¡£ÏµÍ³Í¨¹ýʵʱÊÕÂÞ¡¢ÆÊÎö·¢µç»úÔËÐÐÊý¾Ý,ʵÏÖ¶Ô·¢µçЧÂÊ¡¢¸ºÔØ·ÖÅɺÍȼÓÍÏûºÄµÄ׼ȷ¿ÉÊÓ»¯ÓëÖÇÄÜÓÅ»¯£¬£¬£¬£¬£¬£¬£¬ÏÔÖøÌáÉýº½³Ì¾¼ÃÐÔ¡£¡£¡£¡£¡£¡£¡£¡£
![]()
ÍŽáÖÇÄÜÆôÍ£Óë¸ºÔØÕ¹ÍûÕ½ÂÔ£¬£¬£¬£¬£¬£¬£¬È·±£·¢µçÓëÍÆ½øÏµÍ³Ðµ÷ÔËÐУ¬£¬£¬£¬£¬£¬£¬ÌáÉýÄÜЧ±È£¬£¬£¬£¬£¬£¬£¬ÑÓÉì×°±¸ÊÙÃü¡£¡£¡£¡£¡£¡£¡£¡£Í¨¹ýÖǻۻú²ÕÖÐÔ¶³ÌÕï¶ÏÓëÔ¤¾¯¹¦Ð§£¬£¬£¬£¬£¬£¬£¬ÔÚ¹ÊÕÏÃÈÑ¿½×¶Î´¥·¢Î¬»¤½¨Ò飬£¬£¬£¬£¬£¬£¬Ìá¸ß´¬²°ÔËÓª¿ÉÓÃÐÔ¡£¡£¡£¡£¡£¡£¡£¡£
ÃæÁÙÈÕÒæÑÏ¿áµÄ»·±£ÒªÇ󣬣¬£¬£¬£¬£¬£¬Öá´ø·¢µç»úÓëÖǻ۴¬²°ÏµÍ³µÄÓлúÍŽá¿ÉÒÔÓÐÓýµµÍ̼Åŷż°ÎÛȾÎïÅÅ·Å£¬£¬£¬£¬£¬£¬£¬ÖúÁ¦´¬²°Öª×ãî¿Ïµ»®¶¨Óë¿ÉÒ»Á¬Éú³¤Ä¿µÄ£¬£¬£¬£¬£¬£¬£¬´øÀ´¸üµÍµÄ×ÜÓµÓб¾Ç®¡¢¸ü¸ßµÄÔËÓª¿É¿¿ÐÔÓë¸üÇ¿µÄÇéÐξºÕùÁ¦¡£¡£¡£¡£¡£¡£¡£¡£